遠程抄表系統

Remote Meter Reading System
遠程抄表系統系統概述 >

遠程抄表系統自定義時間間隔提取終端點位的數據,極大降低人工抄表的成本,去除人為因素對抄表數據的影響,通過數據的存儲、比對及時發現使用終端點位的異常問題,極大縮短問題應對時間。也可以加掛預付費、自動停送、自動告知、繳費提醒等附加功能。對跑、冒、滴、漏、盜、改具有實時監測的作用,亦是能源管理系統的基石。

遠程抄表系統行業應用 >

社區、自來水、燃氣、辦公商業樓宇、物業管理、院校、用電等諸多領域。

遠程抄表系統典型案例 >

哈大高鐵、利物浦大學、沈陽軍區某師

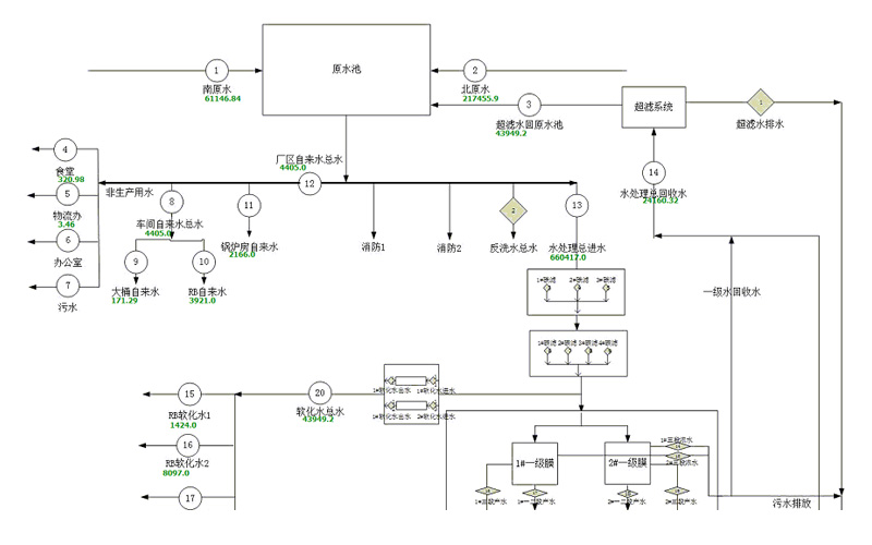
遠程抄表系統系統圖 >
工廠智能制造
工廠智能制造
工廠智能制造
工廠智能制造
多多视频